| Circuit Diagram |




Components Connector Pin Information No.Connector GConnector HConnector KConnector L1Power groundFront fog lamp switchRoom lampFront left turn signal lamp2Washer switchPAS OFF switchRear power window relay powerLED DRL - LH3Security indicatorDefrosterRear right power window up relayLED DRL - RH4Assist seat belt switchAuto light switchRear left power window up relayRain sensor option5Head lamp washerTail switchDriver door open switch-6Wiper intermittent volumeLeft turn signal lamp switchAssist door open switch-7Body loadK LineDriver seat belt switch-8PAS OFF indicatorPAS/RPAS optionRear right door unlock-9C CAN lowMTS dataRear left door unlockExternal buzzer10C CAN highBCM dataLINFront right turn signal lamp11Auto light groundKey insert signal-Wiper low relay12AV tailRear fog lamp switchRear left turn signal lampATM solenoid13Signal groundB CAN lowFoot lampHood switch14Kel solenoidB CAN highTrunk room lamp-15Key hole illuminationHead lamp high switchRear right power window down relay-16-Wiper intermittent switchRear left power window down relayHID option17-Wiper mist switchP positionWiper high relay18Rear fog lamp relayRight turn signal lamp switchRear right door open swithWiper stop status19Trunk release relayParking brake switchRear left door open swith 20Auto light powerSide airbag optionTrunk open status21Frong fog lamp LED optionPassing switchExternal trunk switch22Stop lamp switchHead lmap low switchRain sensor input23Auto light sensorHazard switchRain sensor output24Burglar alarm horn relay-Rear right turn signal lamp25- 26Assist seat belt indicator
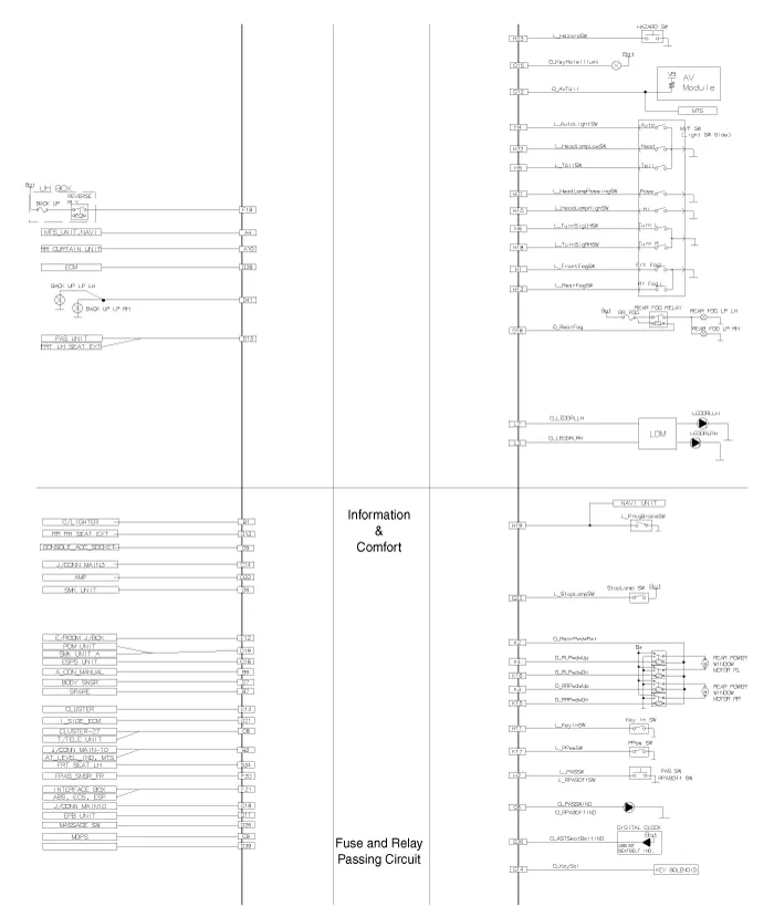
IPM Overview The Body Control Module (IPM-Intelligent integrated Platform Module) supplies vehicle occupants with visual and audible information and controls various vehicle functions.
Description A/C pressure transducer convert the pressure value of high pressure line into voltage value after measure it. By converted voltage value, engine ECU controls cooling fan by operating it high speed or low speed. Engine ECU stop the operation of compressor when the temperature of refrigerant line is so high or so low irregularl
Description 1. The photo sensor is located at the center of defrost nozzle. 2. The photo sensor contains a photovoltaic (sensitive to sunlight) diode. The solar radiation received by its light receiving portion, generates an electromotive force in proportion to the amount of radiation received which is transferred to the automatic tem