| Component Location |

| Components |

| 1. Heater Case (LH) 2. Separator 3. Evaporator Core 4. Shower Duct (LH) | 5. Heater Core Cover 6. Heater Core 7. Mode Actuator 8. Mode Cam | 9. Temp Actuator (Drive) 10. Vent Door Arm 11. Floor Door Arm |

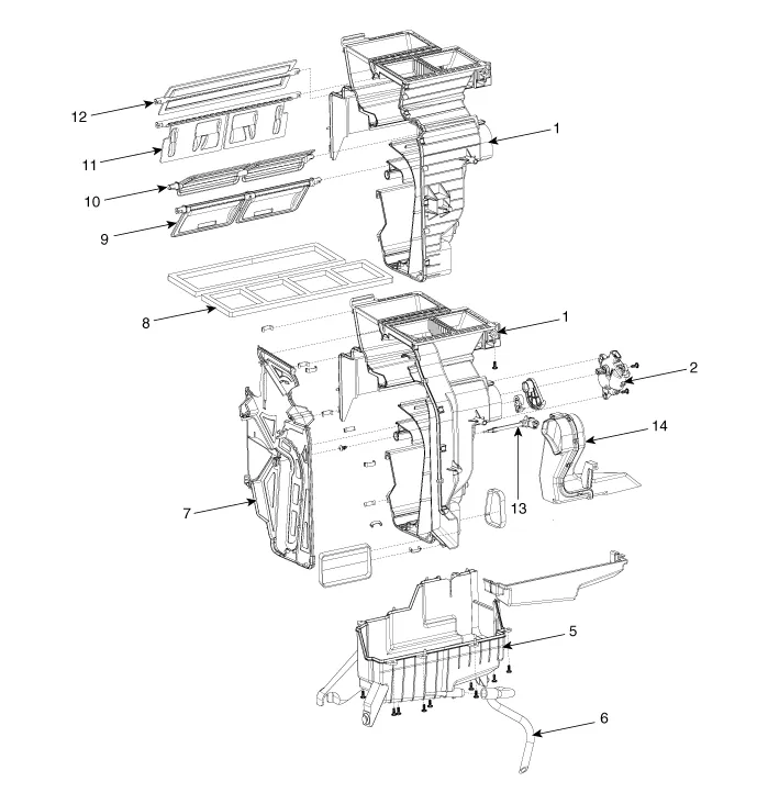
| 1. Heater Case (RH) 2. Temp Actuator (Passenger) 3. Temp Door Lever 4. Evaporator Temp Sensor 5. Hearer Lower Case | 6. Drain Hose 7. Separator 8. Insulator 9. Temp Door 10. Floor Door | 11. Vent Door 12. Def Door 13. Evaporator sensor 14. Shower duct(RH) |
Replacement 1. Disconnect the negative (-) battery terminal. 2. Recover the refrigerant with a recovery/ recycling/ charging station. 3.
Description Surround View Monitoring System (SVM) is the system that allows video monitoring of 360 degrees around the vehicle. The system includes 4 ultra optical camera mounted around the vehicle (front, both sides, rear). The video from these cameras are applied with distortion compensation, time point conversion, and video merging
Removal 1. Disconnect the negative (-) battery terminal. 2. Remove the crash pad lower panel. (Refer to Body - "Crash Pad") 3. Disconnect the 5P connector of the SMARTRA unit and then remove the SMARTRA unit (A) after loosening the bolt. Installation 1.