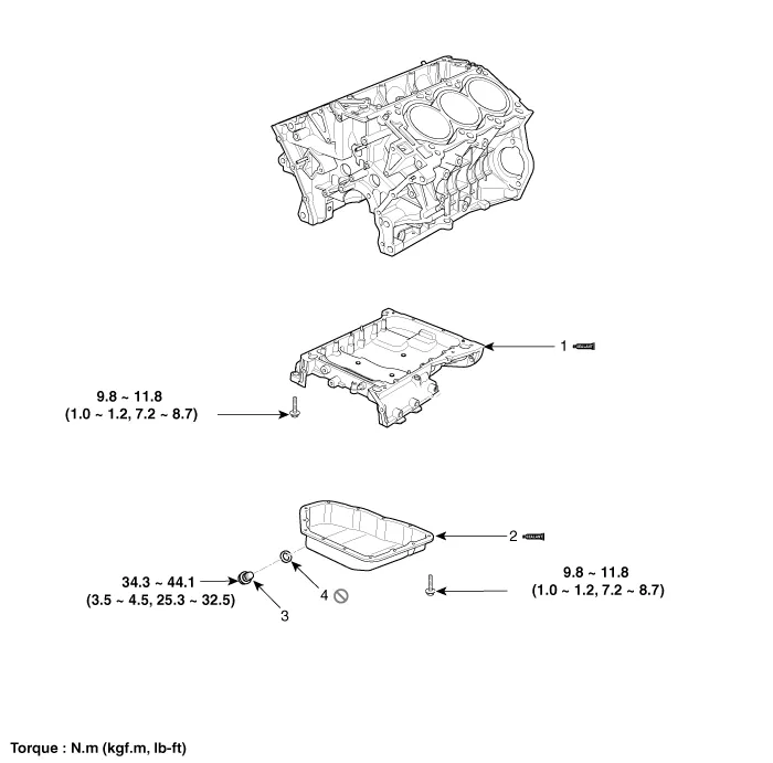
| Components |

| 1. Upper oil pan 2. Lower oil pan | 3. Drain plug 4. Drain plug gasket |
Removal and Installation 1. Drain engine oil. (Refer to Lubrication System - "Engine Oil") 2. Remove the water center pipe. (Refer to Cooling System - "Water Temperature Control Assembly") 3.
Removal [Lower oil pan] 1. Remove the engine room under cover. (Refer to Engine And Transaxle Assembly - "Engine Room Under Cover") 2. Drain the engine oil.
Diagnosis With GDS 1. BSD system defects can be quickly diagnosed with the GDS. GDS operates actuator quickly to monitor, input/output value and self diagnosis. 2. Connect the cable of GDS to the data link connector in driver side crash pad lower panel, turn the power on GDS.
Description 1. The photo sensor is located at the center of defrost nozzle. 2. The photo sensor contains a photovoltaic (sensitive to sunlight) diode. The solar radiation received by its light receiving portion, generates an electromotive force in proportion to the amount of radiation received which is transferred to the automatic tem