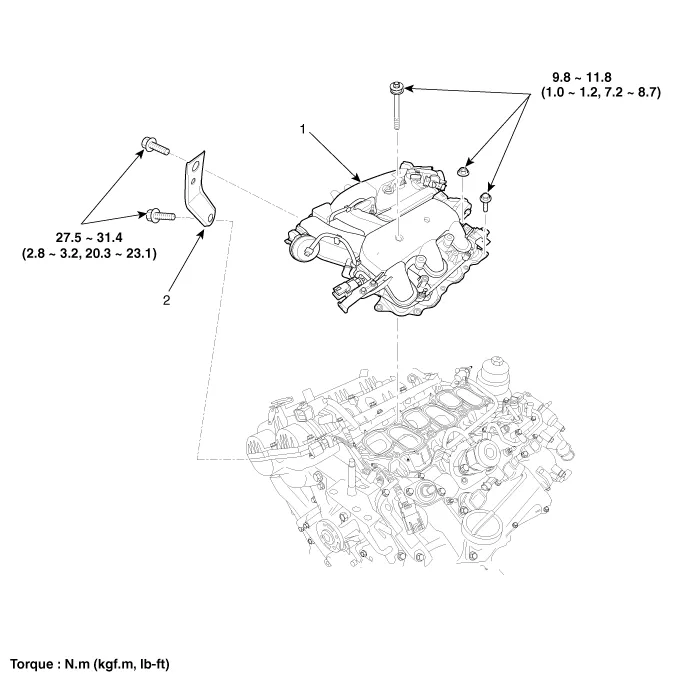
| Components |

| 1. Surge tank 2. Surge tank stay |
Removal and Installation 1. Remove the battery. (Refer to Engine Electrical System - "Battery") 2. Remove the engine cover. 3. Remove the air duct (A).
Removal and Installation To avoid damage, unplug the wiring connectors carefully while holding the connector portion. Mark all wiring and hoses to avoid misconnection.
Inspection Initialization and diagnosis sequence by using diagnostic equipment Below content summarize the procedure for A/S using Diagnostic equipment Download Parameter 1. Select "AFLS" menu after selecting a vehicle. 2. Select "Parameter download" menu for define a characteristc of vehicle.
Description A/C pressure transducer convert the pressure value of high pressure line into voltage value after measure it. By converted voltage value, engine ECU controls cooling fan by operating it high speed or low speed. Engine ECU stop the operation of compressor when the temperature of refrigerant line is so high or so low irregularl