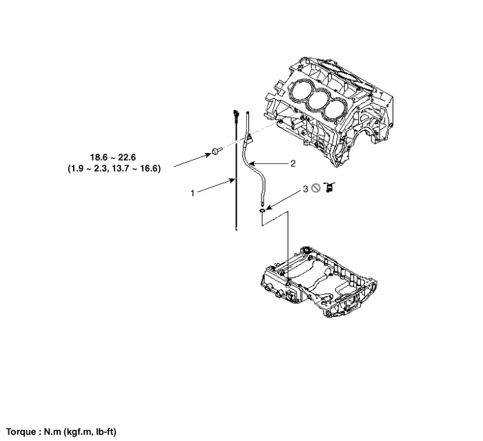
| Components |

| 1. Oil level gauge 2. Oil level gauge pipe 3. O-ring |
Removal and Installaion 1. Remove the intake manifold. (Refer to Intake And Exhaust System - "Intake Manifold") 2. Remove the delivery pipe and injector.
Removal and Installation 1. Remove the oil level gauge rod (A) and the oil level gauge (B). Tightening torque: 18.6 ~ 22.6N.m (1.9 ~ 2.3kgf.m, 13.
Teaching Procedures 1. Key Teaching Procedure Key teaching must be done after replacing a defective PCM(ECM) or when providing additional keys to the vehicle owner. The procedure starts with an PCM(ECM) request for vehicle specific data (PIN code: 6digits) from the tester.
Description A/C pressure transducer convert the pressure value of high pressure line into voltage value after measure it. By converted voltage value, engine ECU controls cooling fan by operating it high speed or low speed. Engine ECU stop the operation of compressor when the temperature of refrigerant line is so high or so low irregularl